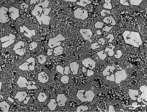
碳化鉻耐磨鋼板中鉻與碳配合恰當時才可得到M7C3型碳化物。從圖可知當碳(C)在2.6%~3.0%,Cr在22%~25%時,可得到Cr7C3碳化物,硬度為HV1700,可大大提高金屬的耐磨性。但碳量太高超過共晶碳量會發生粗大的初生碳化物,質很脆,在磨料沖擊下會碎裂,并且碳量增加,韌性降低。所以碳量設計范圍為2.4%~3.2%。

圖(1)碳化鉻鋼板中的硬質相
1.共晶范圍;2.α+M4C;3.α+M4C+M7C3;4.α+M7C3;5.α+M7CO3+M3C;6.α+M3C
鉻一部分形成Cr7C3型碳化物及二次碳化物,另一部分提高機體的淬透性,使它既有足夠韌性,又有高的硬度,故鉻含量控制在18%~24%。
2)鉬(Mo)含量
鉬一部分進入碳化物,一部分溶入奧氏體,溶入奧氏體中的鉬可大幅度提高淬透性,鉬和銅聯合使用,提高淬透性作用更大。經驗表明,當Cr/C為5~8時,加入2.5%Mo,可使100mm斷面完全淬硬。設計成分Cr/C>7加入大于2%的鉬,對于厚度為90~100mm的大錘頭也能淬硬。
3)鎳(Ni)含量
鎳溶入奧氏體中,可充分發揮提高淬透性的作用,加入0.5%的鎳,即可顯著提高淬透性,但它降低馬氏體開始點(MS)的作用比鉬大。加入鎳量控制在0.6%~1.0%。
4)銅(Cu)含量
銅與鎳類似,可全部溶于奧氏體中,對提高淬透性有利,但沒有鎳效果大,且銅在奧氏體中溶解度有限,約2%,熱處理后仍保留有少量殘余奧氏體,對提高韌性有利,但使硬度降低。所以銅控制在0.8%~1.0%。
5)錳(Mn)含量
錳是穩定奧氏體元素,使組織中存在大量殘余奧氏體,錳能改變鉬在碳化物和金屬基體中含量的分配比,錳和鉬聯合加入可有效地提高淬透性,但錳強烈降低MS點,增加鑄件開裂的趨向,對熔煉、鑄造、熱處理的微量變化敏感,所以含量不宜多,控制在0.8%~1.0%。

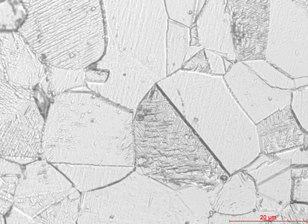
圖(2)奧氏體金相
6)硅(Si)含量
硅是促進石墨化元素,固溶于基體中增加鑄鐵的脆性,硅降低淬透性,為了脫氧最少不得小于0.3%,但硅提高MS點,我們控制硅在0.4%~0.8%。
7)磷(P)、硫(S)含量
磷、硫均為有害元素,應盡量低,采用堿性爐熔煉,磷、硫可控制在0.035%以下。
8)復合變質劑
為了凈化晶界,變質夾雜,細化晶粒,特別是為了使共晶碳化物變為條塊狀,在高硬度前提下獲得高韌性,我們采用了復合變質劑(Re+B、V、Ti等元素);對提高韌性起到了重要作用。
碳化鉻耐磨鋼板中的合金成分可以按照要求來定制,歡迎來我廠定制特種鋼板,愿為您解決磨損難題。


